The Blodgett Deck Oven line has set industry wide standards for excellence in baking characteristics, performance and reliability. Simplicity of design and quality construction throughout assure years of trouble-free operation. Blodgett provides the strongest warranty in the business with a standard five-year door warranty!
Thank you for viewing our quality commercial restaurant equipment online at The Foodservice Equipment Depot. We are your trusted food equipment supply store in Canada based out of Calgary, AB. The FED has answers for your how-to’s, product guides, specifications, drawings, discount pricing and shipping questions. If you are wanting to buy used or new food equipment in stock at our warehouse, please contact us today for a quote.
EXTERIOR CONSTRUCTION
Full angle iron frame
Stainless steel front, top, sides and back
Counterbalanced doors with concealed hinges
Heavy chrome plated tubular steel door handle
27-1/2” (699mm) stainless steel legs (for single units)
19” (483mm) stainless steel legs (for double units)
7” (179mm) stainless steel legs (for triple units)
Burner doors open easily for ignition, cleaning or adjustment, without removal of any fastenings
Vitreous fiber insulation at top, back, sides, bottom and doors
INTERIOR CONSTRUCTION
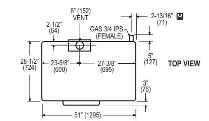
33” x 22” x 7” (838mm x 559mm X 178mm) oven compartment interior
Aluminized steel baking compartment liner
Aluminized steel combustion chamber
Deck supported by an angle iron frame
12 gauge (3.02mm) press-formed, reinforced and flanged
aluminized steel deck





